
全國免費客服電話 18268652722 郵箱:www.jungshuodz@163.com
手機:18268652722
電話:18268652722
地址:寧波市北侖區大碶廟前山路45號
人氣:


為了在機組故障后充分利用所有非故障機組,進一步提高多電平逆變器的輸出性能,可以采用中性點移位技術。停止使用美容劑。如果你的頭發已經受損,請停止使用所有護發工具,例如吹風機和卷發棒。繼續使用這些工具只會使頭發變得更干燥并增加修復成本。困難,因此請務必暫時停止使用。根據電壓等級等條件,系列多電平逆變器可分為4級、5級、6級、8級、9級、10級,或12級、20級。
針對級聯逆變器單元出現故障時的控制問題,對現有的三種處理方法進行對比分析,利用LabVIEW虛擬儀器軟件平臺和凌華科技PCI-9846數字化儀搭建了六單元級聯逆變器。變頻器輸出特性測試系統對三種故障處理方法進行了測試分析,得到了三相線電壓的幅值、頻率、總諧波含量、三相電壓相位等主要性能指標。
該方法簡單易行。對于基于載波的控制系統,只需根據故障類型改變參考波的形狀即可。在現有故障處理方法的基礎上無需做較大改變即可實現。原因在于,逆變器對交流電頻率進行變換的過程,實際上是先對交流電進行了變換。母線及電力元件周圍,對水質安全要求較高,不允許斷流。監控回路和工藝流程復雜,故障概率也較高。
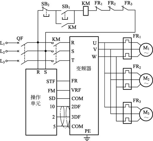
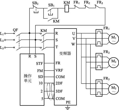
本文通過兩個逆變器無法啟動的故障排除案例,與大家分享由于控制電路設計缺陷和逆變器參數設置不符合應用要求而導致逆變器無法啟動的原因和解決方案,以及從中總結的經驗故障排除。變頻器主要由整流器、濾波器、逆變器、制動單元、驅動單元、檢測單元、微處理單元等組成。中性點平移的原理是利用變頻器中性點浮動而不連接到負載中點(如目前廣泛使用的三相電機),因此變頻器的中性點可以偏離負載中點。
由于級聯逆變器的等效輸出相電壓開關頻率是各個開關器件開關頻率的數倍,且輸出電壓諧波分布在較高頻段,因此變頻器輸出特性分析系統對數據的采樣率要求較高。采集設備。高,普通的數據采集設備很難滿足如此高的采樣要求。變頻器是指可以改變電源頻率的電氣裝置,用于調節電動機的轉速和輸出功率。
其中,在PC機中編寫LabVIEW虛擬儀器軟件,根據上述三種故障處理方法的工作原理,實現相應的控制方案并產生相應的控制信號。處理ABB變頻器故障的方法一般有兩種(其他變頻器故障也類似處理):故障碼分析法和主電路分析法。通過比較發現,優化中點偏移即部分零序電壓注入的故障處理方法,能夠在屏蔽故障單元后獲得最大的系統輸出,提高系統的容錯性能,是一種有效的故障處理方法。理想的級聯型逆變器。故障排除方法。
相關推薦