
全國免費客服電話 18268652722 郵箱:www.jungshuodz@163.com
手機:18268652722
電話:18268652722
地址:寧波市北侖區大碶廟前山路45號
人氣:


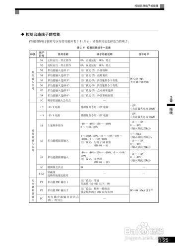
安川Varispeed G7系列使用說明書zip提供安川Varispeed G7系列使用說明書免費下載,主要包括接線、數字操作器及運行模式概述、試運行、參數列表、按功能設置參數、故障診斷等內容,可用于安裝、調試和維護操作。數字操作器的安裝完成前蓋的安裝后,請按照以下步驟安裝數字操作器。用戶可以通過使用說明書了解如何調節變頻器的輸出頻率和電流,以滿足不同設備的需求。
功能設置及操作說明:介紹安川變頻器G7的各種功能設置,如參數調節、運行模式選擇、速度調節等。安川G7+中文說明書變頻器內置起重專用軟件,如果有外部順序控制或不良參數設置時,順序控制錯誤(SE1~SE4)將會發生。以便驅動器與PLC之間進行信號傳輸。主控板:主要對驅動器的各種信號進行集中處理,存儲驅動器的各種參數。手持通訊器:輸入驅動器外部參數的操作面板和各種參數的顯示面板。
維護:詳細介紹安川變頻器G7的維護方法,包括定期清潔、散熱器檢查、電纜連接檢查等,確保設備長期穩定運行。將前蓋上部的卡爪插入逆變器本體的凹槽中,然后將前蓋下部向本體方向按壓,直至聽到“咔”的一聲。在打開變頻器電源之前,請確認變頻器、電機或機械周圍沒有人。答3:安川變頻器G7是一種性能和功能良好的先進電氣設備,廣泛應用于各個工業領域。
升起轎廂,拆除鋼絲繩,確認電機空轉時不會出現安全故障; 2、按要求安裝編碼器,接線正確; 3. 將變頻器基極封鎖設置為無效(H1-06=F)。無論您是否熟悉安川變頻器G7,本文檔都能給您帶來一些新的見解。 pdfpdf,使用前請務必仔細閱讀本使用說明書(安裝、接線、操作、維護、檢查等)。使用說明書對裝置的基本原理、工作原理和電路結構進行了詳細的說明,并對裝置的各項參數和功能進行了詳細的介紹。
安川變頻器CIMR-E7B20P4數據手冊pdf,安川E7系列變頻器數據手冊具體參數:允許電壓波動范圍、通訊方式、V/F轉矩曲線、轉矩提升、繼電器輸出點數、晶體管輸出點數、控制電源, ETC。
安川變頻器E1000系列技術手冊pdf,安川變頻器E1000系列:高效率驅動感應電機和同步電機;根據負載和溫度調節至最佳效率運行;恒扭矩負載的壓縮機也能高效穩定運行;內置節能控制學習功能;適合目的的瞬時停電措施;……同時,手冊還提供了逆變器的常見故障及其排除方法,幫助用戶快速解決問題,恢復設備的正常運行。
相關推薦