
全國免費客服電話 18268652722 郵箱:www.jungshuodz@163.com
手機:18268652722
電話:18268652722
地址:寧波市北侖區大碶廟前山路45號
人氣:


控制面板上顯示DCUNDERVOLT 故障診斷。當ACS510系列逆變器出現DCUNDERVOL故障代碼時,表示逆變器處于欠壓故障狀態。中國電信新一代BSS30融合模型培訓教材課程分專題。逆變器初次上電時,由于直流側平滑電容很大,充電電流很大,因此通常采用啟動電阻來限制充電電流。
為了減小變頻器的體積,選用較小的啟動電阻。其數值多為10-50Q,功率為10-50W。當變頻器交流輸入電源頻繁接通或旁路觸點接觸不良時,會導致啟動電阻燒壞。如果電機驅動慣量較大的負載,當變頻器頻率(即電機的同步轉速)降低時,電機的實際轉速可能會大于同步轉速。此時電機處于發電狀態,這部分能量將經過變頻器的逆變電路。返回直流母線,引起變頻器過壓或過流保護。
2019年高考英語真題及模擬題英語分項整理(全國通用):專題14閱讀理解選五(原論文版)docx。警告!當短暫斷電后輸入電源恢復時,如果外部運行命令為ON(啟動),ACS510 將自動啟動。逆變器顯示過流報警。當ACS510系列變頻器出現OVERCURRE過流報警時,首先檢查加速時間參數是否太短、轉矩提升參數是否太大,然后檢查負載是否過重。
控制面板上顯示DCOVERVOLT/OVERCURRENT(直流過壓/過流)故障診斷。當ACS510系列變頻器出現DCUNDERVOLT/OVERCURRENT故障顯示時,表示變頻器在減速過程中出現過壓或過流故障。主要原因是電機過載、減速時間太短、負載反饋能量太大而不能及時釋放。
變頻器無故障報警,但無法高速運行。經檢查,ACS510系列變頻器參數設置正確,速度控制輸入信號正常。上電運行測試后,逆變器直流母線電壓僅為450V左右(正常應為580V-600V)。測量輸入側后發現缺一相。
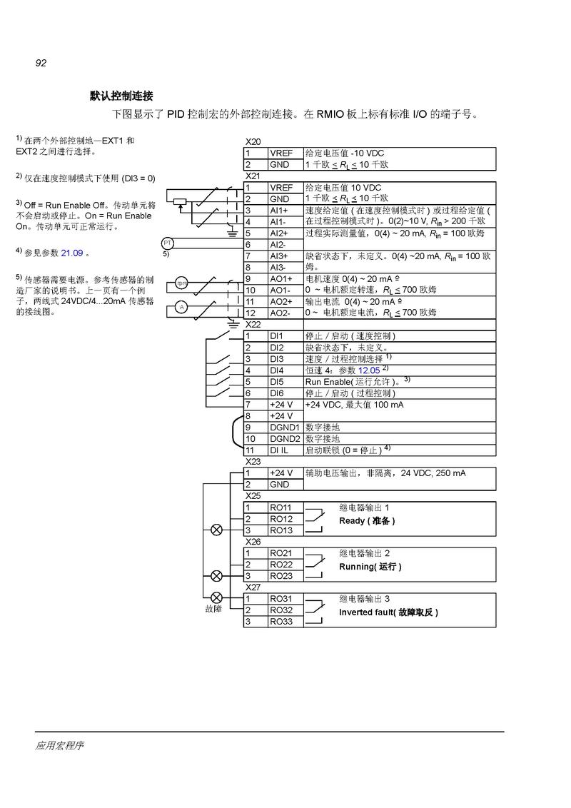
選件手冊(現場總線適配器、I/O 擴展模塊等,手冊隨選件一起提供) 繼電器輸出擴展模塊? 安裝? 啟動? 診斷? 技術數據ACS510 用戶手冊3 安全指南警告!僅允許具有專業技能的人員安裝ACS510!警告!警告!當兩臺或多臺變頻器的控制端子并聯使用時,控制連接的輔助電源應來自同一單元或外部電源。
遇到這種情況,一是加長減速時間參數或增加制動電阻(制動單元);另一種是將變頻器的停機方式設置為自由停機方式。 ABB逆變器以其穩定的性能和超高的性價比在逆變器市場占據重要地位。若文檔侵犯商業秘密、版權、人身權等,請點擊版權投訴(推薦)或撥打舉報熱線:400-050-0827(電話支持時間:9:00-18:30)。
相關推薦