
全國免費客服電話 18268652722 郵箱:www.jungshuodz@163.com
手機:18268652722
電話:18268652722
地址:寧波市北侖區大碶廟前山路45號
人氣:


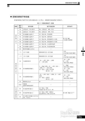
本使用說明書中的插圖僅為代表性示例,可能與您訂購的產品有所不同。因此,為了使電梯具有良好的調速性能,變頻器必須對電機參數進行自學習。 2、變頻器對電機進行自學習;由于普通電機的所有電機參數無法在電機銘牌上體現,不同電機的電機參數不同,矢量控制變頻器對其控制的電機參數進行自學習。精度要求非常高,電機參數的微小差異可能會導致變頻器輸出的較大差異。
由于產品改進或規格變更,以及為了提高本使用說明書的便利性,本使用說明書的內容會不時更改。操作本產品時,請務必按規定安裝外殼或防護罩,并按說明進行操作。升起轎廂,拆除鋼絲繩,確認電機空轉時不會出現安全故障; 2、按要求安裝編碼器,接線正確; 3. 將變頻器基極封鎖設置為無效(H1-06=F)。一般注意事項: 為了說明產品的詳細情況,本手冊中的插圖有時會顯示拆下外蓋或安全蓋的狀態。
安川-Varispeed G7 系列使用手冊pdf, 安川-Varispeed G7 系列使用手冊數字操作器和前蓋的拆卸和安裝1. 當是15kW 以下的變頻器時,安裝可選電路板和開關端子電路板跳線時,除拆下上述端子蓋外,還必須拆下數字操作器和前蓋。安川F7B系列變頻器可以提高機械設備水平,實現高效運行,節省電能,減少參數設置,縮短維護時間,可在世界各地使用。
文檔格式:pdf 文檔大小:19.97M 文檔頁數:438 點贊數:14/2 收藏數:773 評論數:3 文檔熱度: 文檔分類:通訊/電子—電子電氣自動化添加豆蛋系統標簽: 使用說明:請不要讓變頻器滑倒而對安川造成傷害。請在使用(安裝、操作、維護、檢查等)前仔細閱讀本使用說明書。
安川變頻器E1000系列技術手冊pdf,安川變頻器E1000系列:高效率驅動感應電機和同步電機;根據負載和溫度調節至最佳效率運行;恒扭矩負載的壓縮機也能高效穩定運行;內置節能控制學習功能;適合目的的瞬時停電措施;
文檔格式:doc 文檔大小:36.5K 文檔頁數:19 點贊數:0/0 收藏數:36 評論數:0 文檔熱度: 文檔分類:待分類添加到豆蛋文檔標簽:安川g7變頻器手冊系統標簽:變頻器安川手冊萬用表igbt電機。
安川變頻器Varispeed F7B系列使用說明書(中文版)pdf,節能高啟動轉矩電流矢量控制通用變頻器Varispeed F7B Varispeed F7B是用戶理想的高端變頻驅動器,無需增加成本。
相關推薦