
全國免費客服電話 18268652722 郵箱:www.jungshuodz@163.com
手機:18268652722
電話:18268652722
地址:寧波市北侖區大碶廟前山路45號
人氣:


一般情況下,如果保險絲熔斷,則說明電源內部電路有問題。由于電源工作在高電壓、大電流的條件下,電網電壓的波動和浪涌會導致電源中的電流瞬間增大,導致保險絲熔斷。如下圖所示,控制電路由以下電路組成:頻率和電壓計算電路、主電路電壓和電流檢測電路、電機轉速檢測電路、放大計算電路控制信號的驅動電路、逆變器和電機保護電路。
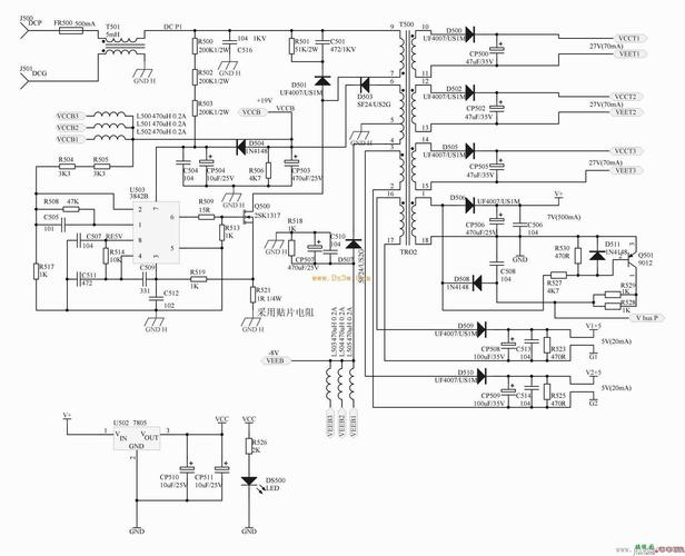
我公司產品的開關電源電路如下圖所示,是由UC3844組成的開關電路:該開關電源主要有以下特點: 1、體積小、重量輕:由于沒有工頻轉換器,尺寸和重量僅為線性電源的20~30倍。 % 2、功耗低、效率高:功率晶體管工作在開關狀態,因此晶體管上部功耗小,轉換效率高,一般為60~70%,而線性電源僅為30% 40。上側三個驅動電路為三個獨立的驅動電源電路,下側三個驅動電路為共用的驅動電源電路。
因此,每個電容必須并聯一個等阻值的均壓電阻,以消除離散性的影響。因此,電容器的壽命將嚴重制約逆變器的壽命。高頻濾波電路主要由整流二極管和低壓濾波電容組成,形成直流電壓輸出。如果整流二極管擊穿,電路將無電壓輸出。如果濾波電容漏電,也會造成輸出電壓不穩定。可以用萬用表靜態測量相應的元件,確定損壞的元件,并進行修復。第一次騎國產電動賽車上賽道是什么感覺?使用哪些工具可以高效、輕松地交付電子元件?
逆變控制電路中的保護電路可分為逆變器保護和異步電機保護兩種。保護功能為:在控制電路中增加速度檢測電路,即增加速度指令,可以控制異步電機的速度。更精確的閉環控制。
從圖中還可以看出,其內部有一個固定的7V電平。檢測電路工作時,將檢測到的IGBT C~E極壓降與內置7V電平進行比較。當超過7V時,HCPL-316J芯片輸出低電平,關斷IGBT。同時,通過片內光耦將錯誤檢測信號反饋到輸入側,以便采取相應的解決措施。如果確定保險絲燒斷,首先檢查電路板上的各個元件,看這些元件的表面是否被燒毀,電解液是否溢出。如果沒有,用萬用表測量開關管是否有擊穿或短路現象。
變頻器接收信號后、發送信號前,均經過緩沖器A1701、75176B等集成電路,以保證良好的通訊效果。可編程邏輯MEMS/傳感技術嵌入式系統仿真/電源射頻/微波測試測量控制器/處理器EDA/PCB基礎器件汽車電子人工智能工業電子通信/網絡消費電子。模塊典型開關頻率為20KHz,保護功能為欠壓、過壓、過熱故障時輸出故障信號燈。
相關推薦